EBRE9-R4X055-3/10DA-OS / 0860265
Opis produktu
Oświetlenie sufitowe z rodziny produktów EBRE. Sterowanie światłem poprzez Pokrywa opalowa, strumień świetlny symetryczny, dystrybucja rozproszone, emisja światła bezpośredni. Źródło światła R-TUBE nie zawiera, możliwe Wymiana przez klienta końcowego. Oprawa oświetleniowa generuje znamionowy strumień świetlny 3011 lm w barwie światła 840, regulowany strumień świetlny: bezstopniowy. Długi okres eksploatacji diod LED umożliwia długie użytkowanie przy stałej jakości oświetlenia. Wysoka jakość światła dzięki tolerancji barwowej < 3 SDCM. Obudowa wykonana z Stal, kolor biały, podobny do RAL 9016, stopień ochrony IP20 IP40 od strony pomieszczenia. Z elektronicznym statecznikiem DALI-2. Wymiana przez specjalistę. Napięcie znamionowe 220 - 240 V AC/DC 50 - 60 Hz.
Źródło światła nie wchodzi w zakres dostawy i należy je zamówić osobno. Odpowiednie źródła światła można znaleźć w przeglądzie źródeł światła.
Te oprawy oświetleniowe są zgodne z wytycznymi przepisów dotyczących żywności zgodnie z Rozporządzeniem (WE) nr 852/2004 (HACCP) załącznik II rozdział I nr 2 a, b; rozdział II nr 1c w zakresie opraw oświetleniowych.
Nadają się do stosowania w obszarach sprzedaży, magazynowania i administracji w przypadku pakowanej żywności.
Informacje o zamówieniu
| Numer artykułu | 0860265 |
| GTIN | 4029299683493 |
Ogólne
| Kategoria produktu | Oświetlenie sufitowe |
| Zakres zastosowania | Edukacja | Biuro | Spożywczy |
| Zakres zastosowania HACCP | Pakowana żywność |
Wymiary
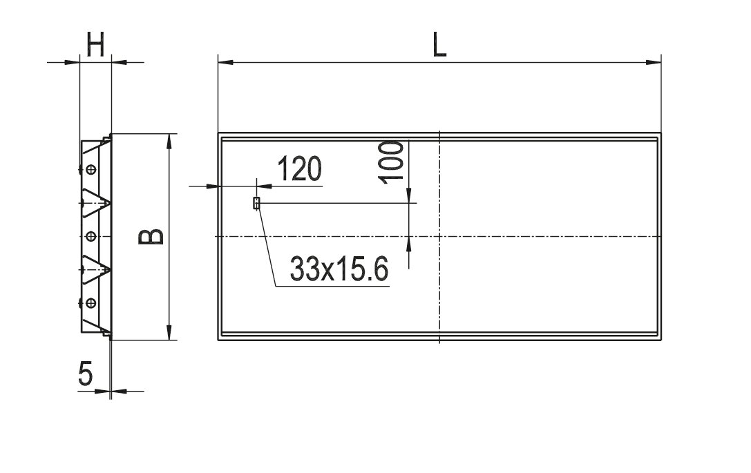
| Wymiar L | 622 mm |
| Wymiar B | 622 mm |
| Wymiar H | 95 mm |
| Wymiar BE | 604 mm |
| Wymiar LE | 614 mm |
| Masa netto | 6,35 kg |
Montaż
| Rodzaj montażu | Instalacja |
| Miejsce montażu | Sufit |
| Typ połączenia | zacisk wtykowy |
| Liczba biegunów | 5 |
| Przekrój przewodu | 0,5–2,5 mm² |
Obudowa
| Kolor | kolor biały, podobny do RAL 9016 |
| Klasa ochrony | IP20 | IP40 od strony pomieszczenia |
| Test przewodu żarowego | 650 °C |
| Dopuszczalna temperatura otoczenia | -20–25 °C |
| Materiał obudowy | Stal |
| Materiał pokrywy | PMMA opal |
Wersja elektryczna
| Typ sterowania | DALI-2 |
| Napięcie znamionowe | 220–240 V, 0/50–60 Hz |
| Moc znamionowa | 27,0 W |
| Faktor Verlustleistung Betriebsgerät | 1.125 |
| Klasa ochrony | I |
Technika oświetleniowa
| Układ optyczny | Pokrywa opalowa |
| Wyjście światła | bezpośredni |
| Rozkład światła | symetryczny |
| Rozsył światłości | rozproszone dystrybucja |
| Klasa UGR | ≤ 22 |
| Znamionowy strumień świetlny | 3011 lm |
| Skuteczność świetlna | 112 lm/W |
Źródło światła
| Lampy | R-TUBE |
| W tym iluminator | Nie |
| Wskaźnik oddawania barw Ra | ≥ 80 |
| Farbwiedergabeindex R9 | 0 |
| Temperatura koloru | 4000 K |
| Tolerancja położenia koloru (SDCM) | < 3 SDCM |
| Trwałość znamionowa L80B50 (tq = 25 °C) | 50.000 h |
Download
Znak homologacji:
Proszę wybrać obszar zastosowania lub dostosować parametry indywidualnie do swoich potrzeb.
Biuro | Sala lekcyjna
500 lx / 0,75 m
Obiekty rekreacyjne
200 lx / 0,75 m
Korytarz
100 lx / 0,00 m
Siłownia | Zawody
500 lx / 0,00 m
Produkcja | Montaż
500 lx / 0,85 m
Magazyn
200 lx / 0,00 mBiuro | Sala lekcyjna
Montaż i mocowanie
| Numer artykułu - Oznaczenie | Opis produktu | Download | Notatniku |
0210717 -
ZBS-E UNI 10-717
|
Zestaw mocujący do uniwersalnego uchwytu obrotowego, strop o grubości 45–80 mm |
|
|
0210770 -
ZBS-E UNI CLIP 10-770
|
Montaż zacisku mocującego, strop o grubości H60: 12–25 mm, H90: 12–50 mm |
|
|
0210127 -
ZBS-E BR 10-127
|
Zestaw mocujący do montażu, sufit z panelami, montaż na czole oprawy |
|
|
0210713 -
ZBS-E UNI 10-713
|
Zestaw mocujący do uniwersalnego uchwytu obrotowego, strop o grubości 23–55 mm |
|
|
0210777 -
ZBS-E ECOPHON
|
Zestaw mocujący do montażu paneli Ecophon Focus Ds/Dg, wysokość 14 mm |
|
|
| 0210783 - ZBS-E OWA S32 IP54 10-783 | Uniwersalny zestaw mocujący do montażu IP54 do płyt OWA S32, wysokość 10 mm |
|
|
0210779 -
ZBS-E DIPLING
|
Zestaw mocujący do montażu w systemie Dipling KP, OWA S1, wysokość 8 mm |
|
|
0210782 -
BEF.-SATZ EBR.. OWA S32
|
Uniwersalny zestaw mocujący EBR... do płyt OWA S32, wysokość 10 mm |
|
|
Narzędzie
| Numer artykułu - Oznaczenie | Opis produktu | Download | Notatniku |
0204003 -
ZRO RAHMENÖFFNER
|
Narzędzie do łatwego otwierania ramy oprawy oświetleniowej |
|
|
Podłączenie elektryczne
| Numer artykułu - Oznaczenie | Opis produktu | Download | Notatniku |
0217871 -
ZEL-ST-WINSTA-5-POL-DA
|
Wtyczka WAGO-WINSTA, 5-przewodowa DALI, niebieska, L1-N-SL-DA-DA, 1 sztuka |
|
|
0217872 -
ZEL-BU-WINSTA-5-POL-DA
|
Złącze WAGO-WINSTA, 5-przewodowe DALI, niebieskie, L1-N-SL-DA-DA, 1 sztuka |
|
|
| Numer artykułu - Bezeichnung | długość | Temperatura koloru | Charakterystyka | ||
| 1204992LF - R-TUBE-G2 055-840M0150 LF | 549 | 4000 K | matowy |
|
|
| 1204997LF - R-TUBE-G2 055-830M0150 LF | 549 | 3000 K | matowy |
|
|
| 1206716LF - R-TUBE-G2 055-865M0150 LF | 549 | 6500 K | matowy |
|
|
Oświetlenie sufitowe z rodziny produktów EBRE. Sterowanie światłem poprzez Pokrywa opalowa, strumień świetlny symetryczny, dystrybucja rozproszone, emisja światła bezpośredni. Źródło światła R-TUBE nie zawiera, możliwe Wymiana przez klienta końcowego. Oprawa oświetleniowa generuje znamionowy strumień świetlny 3011 lm w barwie światła 840, regulowany strumień świetlny: bezstopniowy. Długi okres eksploatacji diod LED umożliwia długie użytkowanie przy stałej jakości oświetlenia. Wysoka jakość światła dzięki tolerancji barwowej < 3 SDCM. Obudowa wykonana z Stal, kolor biały, podobny do RAL 9016, stopień ochrony IP20 IP40 od strony pomieszczenia. Z elektronicznym statecznikiem DALI-2. Wymiana przez specjalistę. Napięcie znamionowe 220 - 240 V AC/DC 50 - 60 Hz.
Źródło światła nie wchodzi w zakres dostawy i należy je zamówić osobno. Odpowiednie źródła światła można znaleźć w przeglądzie źródeł światła.
Te oprawy oświetleniowe są zgodne z wytycznymi przepisów dotyczących żywności zgodnie z Rozporządzeniem (WE) nr 852/2004 (HACCP) załącznik II rozdział I nr 2 a, b; rozdział II nr 1c w zakresie opraw oświetleniowych.
Nadają się do stosowania w obszarach sprzedaży, magazynowania i administracji w przypadku pakowanej żywności.
Informacje o zamówieniu
| Numer artykułu | 0860265 |
| GTIN | 4029299683493 |
Ogólne
| Kategoria produktu | Oświetlenie sufitowe |
| Zakres zastosowania | Edukacja | Biuro | Spożywczy |
| Zakres zastosowania HACCP | Pakowana żywność |
Wymiary
| Wymiar L | 622 mm |
| Wymiar B | 622 mm |
| Wymiar H | 95 mm |
| Wymiar BE | 604 mm |
| Wymiar LE | 614 mm |
| Masa netto | 6,35 kg |
Montaż
| Rodzaj montażu | Instalacja |
| Miejsce montażu | Sufit |
| Typ połączenia | zacisk wtykowy |
| Liczba biegunów | 5 |
| Przekrój przewodu | 0,5–2,5 mm² |
Obudowa
| Kolor | kolor biały, podobny do RAL 9016 |
| Klasa ochrony | IP20 | IP40 od strony pomieszczenia |
| Test przewodu żarowego | 650 °C |
| Dopuszczalna temperatura otoczenia | -20–25 °C |
| Materiał obudowy | Stal |
| Materiał pokrywy | PMMA opal |
Wersja elektryczna
| Typ sterowania | DALI-2 |
| Napięcie znamionowe | 220–240 V, 0/50–60 Hz |
| Moc znamionowa | 27,0 W |
| Faktor Verlustleistung Betriebsgerät | 1.125 |
| Klasa ochrony | I |
Technika oświetleniowa
| Układ optyczny | Pokrywa opalowa |
| Wyjście światła | bezpośredni |
| Rozkład światła | symetryczny |
| Rozsył światłości | rozproszone dystrybucja |
| Klasa UGR | ≤ 22 |
| Znamionowy strumień świetlny | 3011 lm |
| Skuteczność świetlna | 112 lm/W |
Źródło światła
| Lampy | R-TUBE |
| W tym iluminator | Nie |
| Wskaźnik oddawania barw Ra | ≥ 80 |
| Temperatura koloru | 4000 K |
| Tolerancja położenia koloru (SDCM) | < 3 SDCM |
| Trwałość znamionowa L80B50 (tq = 25 °C) | 50.000 h |
Download
Krzywa rozsyłu światła
Znak homologacji:
Atrybuty:
1204992LF - R-TUBE-G2 055-840M0150 LF
długość: 549
Temperatura koloru: 4000 K
Charakterystyka: matowy
1204997LF - R-TUBE-G2 055-830M0150 LF
długość: 549
Temperatura koloru: 3000 K
Charakterystyka: matowy
1206716LF - R-TUBE-G2 055-865M0150 LF
długość: 549
Temperatura koloru: 6500 K
Charakterystyka: matowy
Montaż i mocowanie
0210717 -
ZBS-E UNI 10-717
Zestaw mocujący do uniwersalnego uchwytu obrotowego, strop o grubości 45–80 mm
0210770 -
ZBS-E UNI CLIP 10-770
Montaż zacisku mocującego, strop o grubości H60: 12–25 mm, H90: 12–50 mm
0210713 -
ZBS-E UNI 10-713
Zestaw mocujący do uniwersalnego uchwytu obrotowego, strop o grubości 23–55 mm
Uniwersalny zestaw mocujący do montażu IP54 do płyt OWA S32, wysokość 10 mm
0210782 -
BEF.-SATZ EBR.. OWA S32
Uniwersalny zestaw mocujący EBR... do płyt OWA S32, wysokość 10 mm
Narzędzie
Podłączenie elektryczne
0217871 -
ZEL-ST-WINSTA-5-POL-DA
Wtyczka WAGO-WINSTA, 5-przewodowa DALI, niebieska, L1-N-SL-DA-DA, 1 sztuka
0217872 -
ZEL-BU-WINSTA-5-POL-DA
Złącze WAGO-WINSTA, 5-przewodowe DALI, niebieskie, L1-N-SL-DA-DA, 1 sztuka
Proszę wybrać obszar zastosowania lub dostosować parametry indywidualnie do swoich potrzeb.
Biuro | Sala lekcyjna
500 lx / 0,75 m
Obiekty rekreacyjne
200 lx / 0,75 m
Korytarz
100 lx / 0,00 m
Siłownia | Zawody
500 lx / 0,00 m
Produkcja | Montaż
500 lx / 0,85 m
Magazyn
200 lx / 0,00 m
