ADLR 195/1100-830 SMB-DALI / 0331915
 
                 
                        Produktbeschreibung
Downlight der ADLR-Produktfamilie. Lichtlenkung durch Reflektor, Ausstrahlungscharakteristik symmetrisch, breitstrahlend, Lichtaustritt direkt. Leuchtmittel LED-M eingebaut, Austausch durch Fachkraft möglich. Die Leuchte generiert einen Bemessungslichtstrom von 1070 lm in Lichtfarbe 830, Lichtstrom einstellbar: stufenlos. Die hohe LED-Lebensdauer ermöglicht einen langen Einsatz bei gleichbleibender Beleuchtungsgüte. Hohe Lichtqualität durch eine Farborttoleranz von < 3 SDCM. Gehäuse aus Stahl, verkehrsweiß, ähnlich RAL 9016, Schutzart IP40. Abdeckung aus PC klar. Die Leuchte ist für die Einzelmontage an der Decke oder mit Zubehör zum Abpendeln vorgesehen. Schraubenmaterial und dergleichen ist bauseits zu beschaffen. Mit elektronischem Betriebsgerät DALI-2. Austausch durch Fachkraft möglich. Nennspannung 230 - 240 V AC/DC 50 - 60 Hz.
Bestellinformationen
| Artikelnummer | 0331915 | 
| GTIN | 4029299469585 | 
| Bruttopreis (Deutschland, exkl. MwSt.) | 369,50 € | 
Allgemein
| Produktkategorie | Downlight | 
| Einsatzbereich | Bildung | Büro | 
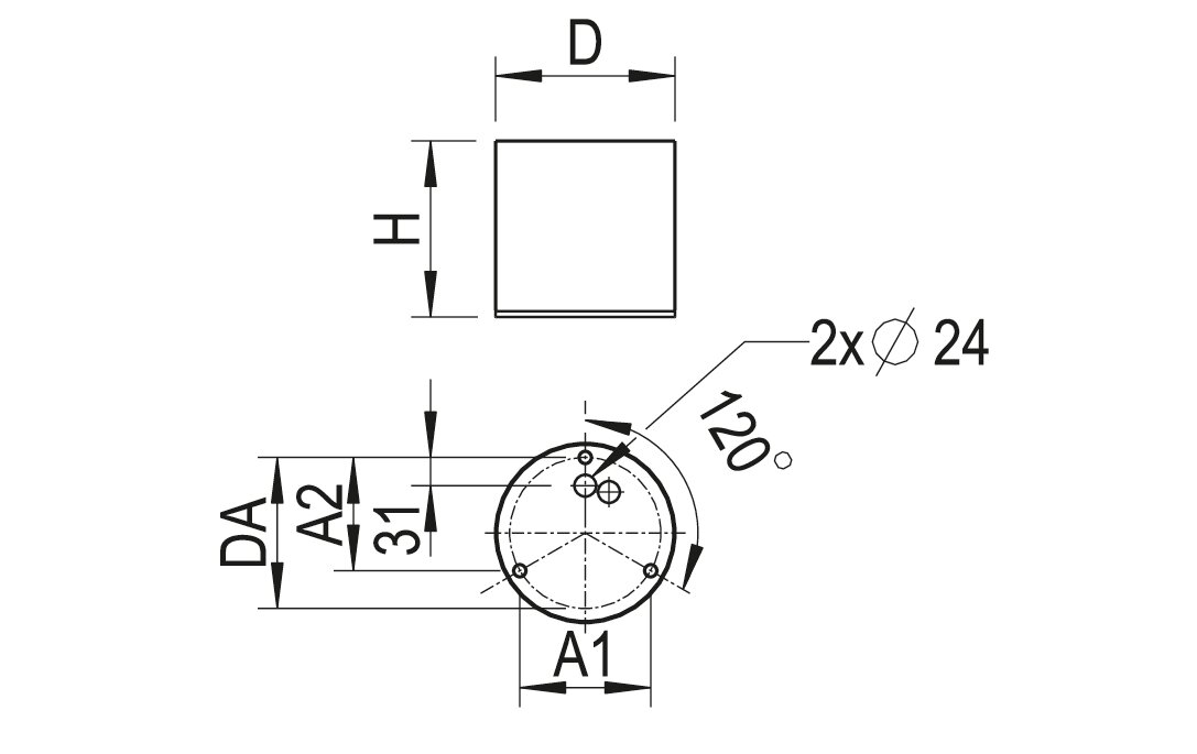
Abmessungen
| Maß H | 194 mm | 
| Maß D | 195 mm | 
| Maß D2 | 195 mm | 
| Maß A1 | 144 mm | 
| Maß A2 | 125 mm | 
| Maß DA | 166 mm | 
| Nettogewicht | 2,590 kg | 
 
                                        
                                    Montage
| Montageart | Anbau | Pendel | 
| Montageort | Decke | 
| Anschlussart | Steckklemme | 
| Anzahl Pole | 5 | 
| Leiterquerschnitt | 0,75–1,5 mm² | 
Gehäuse
| Farbe | verkehrsweiß, ähnlich RAL 9016 | 
| Schutzart | IP40 | 
| Glühdrahtprüfung | 650 °C | 
| Zulässige Umgebungstemperatur | -25–25 °C | 
| Werkstoff des Gehäuses | Stahl | 
| Werkstoff der Abdeckung | PC klar | 
Elektrische Ausführung
| Art der Steuerung | DALI-2 | 
| Nennspannung | 230–240 V, 0/50–60 Hz | 
| Bemessungsleistung | 8,0 W | 
| Schutzklasse | I | 
Lichttechnik
| Lichtlenker | Reflektor | 
| Reflektor | matt | 
| Lichtaustritt | direkt | 
| Lichtverteilung | symmetrisch | 
| Ausstrahlungscharakteristik | breitstrahlend | 
| UGR-Klasse | ≤ 16 | 
| Bemessungslichtstrom | 1070 lm | 
| Leuchteneffizienz | 134 lm/W | 
Leuchtmittel
| Leuchtmittel | LED-M | 
| Inklusive Leuchtmittel | Ja | 
| Farbwiedergabeindex Ra | ≥ 80 | 
| Farbtemperatur | 3000 K | 
| Farborttoleranz (SDCM) | < 3 SDCM | 
| Bemessungslebensdauer L80B50 (tq = 25 °C) | 50.000 h | 
Downloadcenter
 
             
                    
                
                    
                         
                    
                
                    
                         
                    
                
                    
                         
                    
                
            Prüfzeichen:
Bitte wählen Sie einen Anwendungsbereich aus oder passen Sie die Parameter individuell ihren Gegebenheiten an.
 
            Büro | Klassenzimmer
500 lx / 0,75 m 
            Sozialräume
200 lx / 0,75 m 
            Flur
100 lx / 0,00 m 
            Sporthalle | Wettkampf
500 lx / 0,00 m 
            Produktion | Montage
500 lx / 0,85 m 
            Lagerhalle
200 lx / 0,00 mBüro | Klassenzimmer
| Artikelnummer - Bezeichnung | Produktbeschreibung | Download | Merkzettel | 
|  0202863 -
                            DR195-SK-G-D-W | Dekorring weiß, Floatglassscheibe klar für Downlight 195 |  |  | 
|  0201239 -
                            ZUSP SEILPENDEL UNIV. 1.5M | Seilpendel mit Deckenbefestigung und Seilklemme, 1,5 m, 1 Stück |  |  | 
|  0204884 -
                            DR195-MPS-G-D-W | Dekorglasscheibe Floatglas mit Mikroprismen und Dekorring in weiß für Downlight 195 |  |  | 
| 0202496 - ZV-EDLR-T60 | Fresnellinse für LED-Platine, transparent aus PC, 60° Ausstrahlwinkel |  |  | 
| 0208873 - DR195-ASLP-K-D-W | Asymmetrische Lichtlenkung geeignet für Downlight EDLR 195/...SMT |  |  | 
| 0202802//708 - DR195-HWNR8-K-D-W | Hinweisschild Nummer 8 mit Dekorring weiß für Downlight 195 |  |  | 
| 0202802//711 - DR195-HWNR11-K-D-W | Hinweisschild Nummer 11 mit Dekorring weiß für Downlight 195 |  |  | 
|  0202802//724 -
                            DR195-HWNR24-K-D-W | Hinweisschild Nummer 24 mit Dekorring weiß für Downlight 195 |  |  | 
| 0202802//712 - DR195-HWNR12-K-D-W | Hinweisschild Nummer 12 mit Dekorring weiß für Downlight 195 |  |  | 
| 0202802//704 - DR195-HWNR4-K-D-W | Hinweisschild Nummer 4 mit Dekorring weiß für Downlight 195 |  |  | 
| 0202802//705 - DR195-HWNR5-K-D-W | Hinweisschild Nummer 5 mit Dekorring weiß für Downlight 195 |  |  | 
|  0208087 -
                            ZSP-1P-ABD 1.5M | Seilpendel für ABD, 1,5 m, 1 Stück |  |  | 
|  0202675//636 -
                            DR195-DR-K-ES | Dekorring aus Edelstahl gebürstet für Downlight 195 |  |  | 
|  0202675//609 -
                            DR195-DR-K-SG | Dekorring aus Aluminium silber glänzend für Downlight 195 |  |  | 
|  0202739 -
                            DR195-SO-G-D-W | Dekorring weiß, Floatglassscheibe opal für Downlight 195 |  |  | 
|  0202692 -
                            DR195-RM-G-SB-W | Dekorring aus Einscheibensicherheitsglas (ESG), mattiert, innen offen mit Ring weiß für Downlight 195 |  |  | 
| 0208861 - DR195-SOM-K-D-W | Scheibe opal satiniert, Dekorring aus PC, weiß für Downlight Ø 195 mm |  |  | 
|  0202734 -
                            DR195-SM-G-D-W | Dekorscheibe aus Floatglas, außen mattiert, Dekorring weiß für Downlight 195 |  |  | 
 
                                                 
                                            Downlight der ADLR-Produktfamilie. Lichtlenkung durch Reflektor, Ausstrahlungscharakteristik symmetrisch, breitstrahlend, Lichtaustritt direkt. Leuchtmittel LED-M eingebaut, Austausch durch Fachkraft möglich. Die Leuchte generiert einen Bemessungslichtstrom von 1070 lm in Lichtfarbe 830, Lichtstrom einstellbar: stufenlos. Die hohe LED-Lebensdauer ermöglicht einen langen Einsatz bei gleichbleibender Beleuchtungsgüte. Hohe Lichtqualität durch eine Farborttoleranz von < 3 SDCM. Gehäuse aus Stahl, verkehrsweiß, ähnlich RAL 9016, Schutzart IP40. Abdeckung aus PC klar. Die Leuchte ist für die Einzelmontage an der Decke oder mit Zubehör zum Abpendeln vorgesehen. Schraubenmaterial und dergleichen ist bauseits zu beschaffen. Mit elektronischem Betriebsgerät DALI-2. Austausch durch Fachkraft möglich. Nennspannung 230 - 240 V AC/DC 50 - 60 Hz.
Bestellinformationen
| Artikelnummer | 0331915 | 
| GTIN | 4029299469585 | 
| Bruttopreis (Deutschland, exkl. MwSt.) | 369,50 € | 
Allgemein
| Produktkategorie | Downlight | 
| Einsatzbereich | Bildung | Büro | 
Abmessungen
| Maß H | 194 mm | 
| Maß D | 195 mm | 
| Maß D2 | 195 mm | 
| Maß A1 | 144 mm | 
| Maß A2 | 125 mm | 
| Maß DA | 166 mm | 
| Nettogewicht | 2,590 kg | 
 
                                                    
                                                Montage
| Montageart | Anbau | Pendel | 
| Montageort | Decke | 
| Anschlussart | Steckklemme | 
| Anzahl Pole | 5 | 
| Leiterquerschnitt | 0,75–1,5 mm² | 
Gehäuse
| Farbe | verkehrsweiß, ähnlich RAL 9016 | 
| Schutzart | IP40 | 
| Glühdrahtprüfung | 650 °C | 
| Zulässige Umgebungstemperatur | -25–25 °C | 
| Werkstoff des Gehäuses | Stahl | 
| Werkstoff der Abdeckung | PC klar | 
Elektrische Ausführung
| Art der Steuerung | DALI-2 | 
| Nennspannung | 230–240 V, 0/50–60 Hz | 
| Bemessungsleistung | 8,0 W | 
| Schutzklasse | I | 
Lichttechnik
| Lichtlenker | Reflektor | 
| Reflektor | matt | 
| Lichtaustritt | direkt | 
| Lichtverteilung | symmetrisch | 
| Ausstrahlungscharakteristik | breitstrahlend | 
| UGR-Klasse | ≤ 16 | 
| Bemessungslichtstrom | 1070 lm | 
| Leuchteneffizienz | 134 lm/W | 
Leuchtmittel
| Leuchtmittel | LED-M | 
| Inklusive Leuchtmittel | Ja | 
| Farbwiedergabeindex Ra | ≥ 80 | 
| Farbtemperatur | 3000 K | 
| Farborttoleranz (SDCM) | < 3 SDCM | 
| Bemessungslebensdauer L80B50 (tq = 25 °C) | 50.000 h | 
Downloadcenter
Lichtverteilkurve
 
                Prüfzeichen:
Attribute:
 
                        
                    
                        
                             
                        
                    
                        
                             
                        
                    
                        
                             
                        
                    
                 0201239 -
                            ZUSP SEILPENDEL UNIV. 1.5M
                            
                        0201239 -
                            ZUSP SEILPENDEL UNIV. 1.5M
                        Seilpendel mit Deckenbefestigung und Seilklemme, 1,5 m, 1 Stück
 0204884 -
                            DR195-MPS-G-D-W
                            
                        0204884 -
                            DR195-MPS-G-D-W
                        Dekorglasscheibe Floatglas mit Mikroprismen und Dekorring in weiß für Downlight 195
 0202692 -
                            DR195-RM-G-SB-W
                            
                        0202692 -
                            DR195-RM-G-SB-W
                        Dekorring aus Einscheibensicherheitsglas (ESG), mattiert, innen offen mit Ring weiß für Downlight 195
 0202734 -
                            DR195-SM-G-D-W
                            
                        0202734 -
                            DR195-SM-G-D-W
                        Dekorscheibe aus Floatglas, außen mattiert, Dekorring weiß für Downlight 195
Bitte wählen Sie einen Anwendungsbereich aus oder passen Sie die Parameter individuell ihren Gegebenheiten an.
 
            Büro | Klassenzimmer
500 lx / 0,75 m 
            Sozialräume
200 lx / 0,75 m 
            Flur
100 lx / 0,00 m 
            Sporthalle | Wettkampf
500 lx / 0,00 m 
            Produktion | Montage
500 lx / 0,85 m 
            Lagerhalle
200 lx / 0,00 m
