AB2-AS0665DAWS840MPO0175 / 1637985
Produktbeschreibung
Deckenleuchte der AB2-Produktfamilie. Die mikroprismatische Abdeckung sorgt durch ihre symmetrisch breitstrahlende Ausstrahlungscharakteristik für eine angenehme und blendfreie Ausleuchtung von Bildschirmarbeitsplätzen und Unterrichtsräumen. Besonders effiziente, lineare LED-Module in nonSELV-Technologie, geschützt durch eine transparente Modulabdeckung. Das LED-Modul ist gemäß den Anforderungen der Ökodesign-Richtlinie durch eine Elektrofachkraft wechselbar. Rechteckiges, kantiges Gehäuse aus pulverlackiertem Stahlblech, weiß. Stirnseitige Ausbrechöffnungen ermöglichen bei bandförmiger Anordnung die Durchgangsverdrahtung der Leuchten. Direkte Deckenmontage unter Verwendung der mitgelieferten Deckennocken und Schlitzscheiben zur Fixierung. 4-Punkt Befestigung. Bei Verwendung der als Zubehör lieferbaren Montagebügel können die Leuchten an 2 Deckenmontagepunkten befestigt werden. Dazu wird der Montagebügel an der Decke vormontiert und die Leuchte daran befestigt. Das Leuchtengehäuse ist auf der Längsseite mit einer abnehmbaren Seitenleiste ausgeführt. LED-Treiber in der Leuchte eingebaut und durch eine Elektrofachkraft wechselbar. Anschlußklemme für Durchgangsverdrahtung geeignet.
Bestellinformationen
| Artikelnummer | 1637985 |
| GTIN | 4029299968651 |
| Bruttopreis (Deutschland, exkl. MwSt.) | 276,40 € |
Allgemein
| Produktkategorie | Deckenleuchte |
| Einsatzbereich | Bildung | Büro |
| Garantie | 5 Jahre |
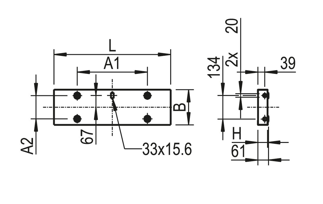
Abmessungen
| Maß L | 665 mm |
| Maß B | 200 mm |
| Maß H | 55 mm |
| Maß A1 | 400 mm |
| Maß A2 | 132 mm |
| Nettogewicht | 2,750 kg |
Montage
| Montageart | Anbau |
| Montageort | Decke |
| Anschlussart | Steckklemme |
| Anzahl Pole | 5 |
| Leiterquerschnitt | 0,5–2,5 mm² |
| Verstellbarkeit | starr |
Gehäuse
| Farbe | verkehrsweiß, ähnlich RAL 9016 |
| Schutzart | IP40 |
| Glühdrahtprüfung | 650 °C |
| Zulässige Umgebungstemperatur | -20–35 °C |
| Werkstoff des Gehäuses | Stahl |
| Oberflächenbehandlung des Gehäuses | pulverbeschichtet |
| Werkstoff der Abdeckung | PMMA strukturiert |
Elektrische Ausführung
| Art der Steuerung | DALI-2 |
| Nennspannung | 220–240 V, 0/50–60 Hz |
| Bemessungsleistung | 14,4 W |
| Schutzklasse | I |
Lichttechnik
| Lichtlenker | Abdeckung mikroprismatisch mit opalem Diffusor |
| Entblendung | Mikroprismatik |
| Lichtaustritt | direkt |
| Lichtverteilung | symmetrisch |
| Ausstrahlungscharakteristik | breitstrahlend |
| UGR-Klasse | ≤ 19 |
| Bemessungslichtstrom | 1540 lm |
| Leuchteneffizienz | 107 lm/W |
Leuchtmittel
| Leuchtmittel | LED-M |
| Inklusive Leuchtmittel | Ja |
| Farbwiedergabeindex Ra | ≥ 80 |
| Farbwiedergabeindex R9 | 0 |
| Farbtemperatur | 4000 K |
| Farborttoleranz (SDCM) | < 3 SDCM |
| Photobiologische Sicherheit | RG1 |
| Bemessungslebensdauer L80B50 (tq = 25 °C) | 100.000 h |
| Bemessungslebensdauer L80B10 (tq = 25 °C) | 79.000 h |
Downloadcenter
Prüfzeichen:
Bitte wählen Sie einen Anwendungsbereich aus oder passen Sie die Parameter individuell ihren Gegebenheiten an.
Büro | Klassenzimmer
500 lx / 0,75 m
Sozialräume
200 lx / 0,75 m
Flur
100 lx / 0,00 m
Sporthalle | Wettkampf
500 lx / 0,00 m
Produktion | Montage
500 lx / 0,85 m
Lagerhalle
200 lx / 0,00 mBüro | Klassenzimmer
Montage und Befestigung
| Artikelnummer - Bezeichnung | Produktbeschreibung | Download | Merkzettel |
| 0218441 - ZBS AB-AS | Befestigungssatz für 2 Befestigungspunkte für Leuchten AB-AS... |
|
|
Deckenleuchte der AB2-Produktfamilie. Die mikroprismatische Abdeckung sorgt durch ihre symmetrisch breitstrahlende Ausstrahlungscharakteristik für eine angenehme und blendfreie Ausleuchtung von Bildschirmarbeitsplätzen und Unterrichtsräumen. Besonders effiziente, lineare LED-Module in nonSELV-Technologie, geschützt durch eine transparente Modulabdeckung. Das LED-Modul ist gemäß den Anforderungen der Ökodesign-Richtlinie durch eine Elektrofachkraft wechselbar. Rechteckiges, kantiges Gehäuse aus pulverlackiertem Stahlblech, weiß. Stirnseitige Ausbrechöffnungen ermöglichen bei bandförmiger Anordnung die Durchgangsverdrahtung der Leuchten. Direkte Deckenmontage unter Verwendung der mitgelieferten Deckennocken und Schlitzscheiben zur Fixierung. 4-Punkt Befestigung. Bei Verwendung der als Zubehör lieferbaren Montagebügel können die Leuchten an 2 Deckenmontagepunkten befestigt werden. Dazu wird der Montagebügel an der Decke vormontiert und die Leuchte daran befestigt. Das Leuchtengehäuse ist auf der Längsseite mit einer abnehmbaren Seitenleiste ausgeführt. LED-Treiber in der Leuchte eingebaut und durch eine Elektrofachkraft wechselbar. Anschlußklemme für Durchgangsverdrahtung geeignet.
Bestellinformationen
| Artikelnummer | 1637985 |
| GTIN | 4029299968651 |
| Bruttopreis (Deutschland, exkl. MwSt.) | 276,40 € |
Allgemein
| Produktkategorie | Deckenleuchte |
| Einsatzbereich | Bildung | Büro |
| Garantie | 5 Jahre |
Abmessungen
| Maß L | 665 mm |
| Maß B | 200 mm |
| Maß H | 55 mm |
| Maß A1 | 400 mm |
| Maß A2 | 132 mm |
| Nettogewicht | 2,750 kg |
Montage
| Montageart | Anbau |
| Montageort | Decke |
| Anschlussart | Steckklemme |
| Anzahl Pole | 5 |
| Leiterquerschnitt | 0,5–2,5 mm² |
| Verstellbarkeit | starr |
Gehäuse
| Farbe | verkehrsweiß, ähnlich RAL 9016 |
| Schutzart | IP40 |
| Glühdrahtprüfung | 650 °C |
| Zulässige Umgebungstemperatur | -20–35 °C |
| Werkstoff des Gehäuses | Stahl |
| Oberflächenbehandlung des Gehäuses | pulverbeschichtet |
| Werkstoff der Abdeckung | PMMA strukturiert |
Elektrische Ausführung
| Art der Steuerung | DALI-2 |
| Nennspannung | 220–240 V, 0/50–60 Hz |
| Bemessungsleistung | 14,4 W |
| Schutzklasse | I |
Lichttechnik
| Lichtlenker | Abdeckung mikroprismatisch mit opalem Diffusor |
| Entblendung | Mikroprismatik |
| Lichtaustritt | direkt |
| Lichtverteilung | symmetrisch |
| Ausstrahlungscharakteristik | breitstrahlend |
| UGR-Klasse | ≤ 19 |
| Bemessungslichtstrom | 1540 lm |
| Leuchteneffizienz | 107 lm/W |
Leuchtmittel
| Leuchtmittel | LED-M |
| Inklusive Leuchtmittel | Ja |
| Farbwiedergabeindex Ra | ≥ 80 |
| Farbtemperatur | 4000 K |
| Farborttoleranz (SDCM) | < 3 SDCM |
| Photobiologische Sicherheit | RG1 |
| Bemessungslebensdauer L80B50 (tq = 25 °C) | 100.000 h |
| Bemessungslebensdauer L80B10 (tq = 25 °C) | 79.000 h |
Downloadcenter
Lichtverteilkurve
Prüfzeichen:
Attribute:
Montage und Befestigung
Bitte wählen Sie einen Anwendungsbereich aus oder passen Sie die Parameter individuell ihren Gegebenheiten an.
Büro | Klassenzimmer
500 lx / 0,75 m
Sozialräume
200 lx / 0,75 m
Flur
100 lx / 0,00 m
Sporthalle | Wettkampf
500 lx / 0,00 m
Produktion | Montage
500 lx / 0,85 m
Lagerhalle
200 lx / 0,00 m
