IHLS-L 180/935-840 SB-DA / 0660598
                
                        Produktbeschreibung
Deckenleuchte der IHLS-Produktfamilie. Lichtlenkung durch Reflektor, Ausstrahlungscharakteristik symmetrisch, extrem breitstrahlend, Lichtaustritt direkt. Leuchtmittel L-TUBE eingebaut, Austausch durch Endkunde möglich. Die Leuchte generiert einen Bemessungslichtstrom von 7570 lm in Lichtfarbe 840, Lichtstrom einstellbar: stufenlos. Die hohe LED-Lebensdauer ermöglicht einen langen Einsatz bei gleichbleibender Beleuchtungsgüte. Hohe Lichtqualität durch eine Farborttoleranz von < 3 SDCM. Gehäuse aus Stahl, verkehrsweiß, ähnlich RAL 9016, Schutzart IP64. Deckenmontage ohne weiteres Zubehör über aufgesetzte Hutprofile oder abstandslos mit Zubehör IHLS-DB ... (separat zu bestellen). Pendelmontage an Kette oder Seil über aufgesetzte Hutprofile. Tragschienenmontage mit Befestigungsklammern oder Standardbefestigern. Mit elektronischem Betriebsgerät DALI-2. Austausch durch Fachkraft möglich. Nennspannung 220 - 240 V AC/DC 50 - 60 Hz.
IHLS-L 154, 180, 254, 280, 424: alle Lampen auf L1 verdrahtet. IHLS-L 354, 380: mittlere Lampe auf L1, äußere Lampen auf L2 verdrahtet. IHLS-L 454, 480: beide mittlere Lampen auf L1 verdrahtet, äußere Lampen auf L2 verdrahtet. Andere Schaltungen auf Anfrage möglich.
Hinweis „ballwurfsicher“: RIDI Leuchten mit dem Ball-Zeichen werden entsprechend den mechanischen und lichttechnischen Erfordernissen an die normgerechte Beleuchtung in Sporthallen hergestellt. Sie erfüllen die Anforderungen an die Ballwurfsicherheit, DIN 18 032, Teil 3.
Die Ballwurfsicherheit bescheinigt den Leuchten eine Robustheit, die auch für Industrieleuchten von großem Vorteil ist.
Hinweis "Lebensmittelrecht": Diese Leuchten entsprechen den Vorgaben des Lebensmittelrechtes im Sinne der Verordnung (EG) Nr. 852/2004 (HACCP) Anlage II Kapitel I Ziffer 2 a, b Kapitel II Ziffer 1c im Bereich von Leuchten. Sie sind geeignet für den Einsatz in der Lebensmittelindustrie.
Bestellinformationen
| Artikelnummer | 0660598 | 
| GTIN | 4029299490183 | 
| Bruttopreis (Deutschland, exkl. MwSt.) | 695,30 € | 
Allgemein
| Produktkategorie | Deckenleuchte | 
| Einsatzbereich | Industrie | Lebensmittel | Sport- und Mehrzweckhallen | 
| HACCP zertifiziert | Ja | 
Abmessungen
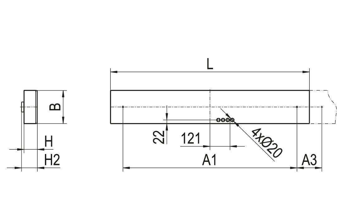
| Maß L | 1500 mm | 
| Maß B | 200 mm | 
| Maß H | 80 mm | 
| Maß A1 | 1350 mm | 
| Maß A2 | |
| Maß A3 | 150 mm | 
| Maß H2 | 95 mm | 
| Nettogewicht | 11,000 kg | 
                                        
                                    Montage
| Montageart | Anbau | Pendel | 
| Montageort | Decke | 
| Anschlussart | Steckklemme | 
| Anzahl Pole | 5 | 
| Leiterquerschnitt | 0,5–2,5 mm² | 
Gehäuse
| Farbe | verkehrsweiß, ähnlich RAL 9016 | 
| Schutzart | IP64 | 
| Stoßfestigkeitsgrad | IK08 | 
| Glühdrahtprüfung | 650 °C | 
| Zulässige Umgebungstemperatur | -20–40 °C | 
| Werkstoff des Gehäuses | Stahl | 
| Werkstoff der Abdeckung | PMMA klar | 
Elektrische Ausführung
| Art der Steuerung | DALI-2 | 
| Nennspannung | 220–240 V, 0/50–60 Hz | 
| Bemessungsleistung | 69,0 W | 
| Schutzklasse | I | 
Lichttechnik
| Lichtlenker | Reflektor | 
| Reflektor | matt | 
| Lichtaustritt | direkt | 
| Lichtverteilung | symmetrisch | 
| Ausstrahlungscharakteristik | extrem breitstrahlend | 
| UGR-Klasse | ≤ 25 | 
| Bemessungslichtstrom | 7570 lm | 
| Leuchteneffizienz | 110 lm/W | 
                                        
                                    Leuchtmittel
| Leuchtmittel | L-TUBE | 
| Inklusive Leuchtmittel | Ja | 
| Farbwiedergabeindex Ra | ≥ 80 | 
| Farbtemperatur | 4000 K | 
| Farborttoleranz (SDCM) | < 3 SDCM | 
| Bemessungslebensdauer L80B50 (tq = 25 °C) | 85.000 h | 
| Bemessungslebensdauer L80B10 (tq = 25 °C) | 70.000 h | 
Downloadcenter
            
                    
                
                    
                        
                    
                
                    
                        
                    
                
                    
                        
                    
                
                    
                        
                    
                
                    
                        
                    
                
                    
                        
                    
                
                    
                        
                    
                
            Prüfzeichen:
Bitte wählen Sie einen Anwendungsbereich aus oder passen Sie die Parameter individuell ihren Gegebenheiten an.
            Büro | Klassenzimmer
500 lx / 0,75 m
            Sozialräume
200 lx / 0,75 m
            Flur
100 lx / 0,00 m
            Sporthalle | Wettkampf
500 lx / 0,00 m
            Produktion | Montage
500 lx / 0,85 m
            Lagerhalle
200 lx / 0,00 mBüro | Klassenzimmer
| Artikelnummer - Bezeichnung | Produktbeschreibung | Download | Merkzettel | 
                        
                                 
                            
                        0208099 -
                            IHLS-DB 180
                     | 
                    Deckenbefestigung für IHLS 135/49/80 , weiß | 
                        
                             | 
                    
                         | 
                
                        
                                 
                            
                        0205888 -
                            VLKH
                     | 
                    Karabinerhaken, maximale Belastung 20 kg, 1 Stück | 
                        
                             | 
                    
                         | 
                
                        
                                 
                            
                        0205887 -
                            VLBP
                     | 
                    Platte mit Öse für Deckenbefestigung, maximale Belastung 20 kg, 1 Stück | 
                        
                             | 
                    
                         | 
                
                        
                                 
                            
                        0207880 -
                            ZSP-SK-3M
                     | 
                    Seilpendel Schlaufe-Klemme, Durchmesser 2 mm, Länge 3 m, 1 Stück, maximale Belastung 45 kg | 
                        
                             | 
                    
                         | 
                
                        
                                 
                            
                        0208347 -
                            VLSPSO-KH
                     | 
                    Spannschloss mit Ösen + Karabiner, Verstellung 50 mm, maximal 20 kg, 1 Stück | 
                        
                             | 
                    
                         | 
                
                        
                                 
                            
                        0200228 -
                            TRA 002 SHL M5X20
                     | 
                    Leuchtenabhänger für SHL-Leuchtenserie, Schaukelhaken aus verzinktem Stahl M5x20, 1 Stück | 
                        
                             | 
                    
                         | 
                
                        
                                 
                            
                        0200251 -
                            TRA 008 KETTE GALV. VERZ.
                     | 
                    Knotenkette DIN 5686, Durchmesser 3,1 mm, verzinkt, maximale Belastung 20 kg, Länge 1 m | 
                        
                             | 
                    
                         | 
                
                        
                                 
                            
                        0215942 -
                            UKNS 3.0M
                     | 
                    Seilpendel mit Deckenbefestiger und Seilklemme, 3 m, 1 Stück | 
                        
                             | 
                    
                         | 
                
                        
                                 
                            
                        0210958 -
                            UKNS 1.5M
                     | 
                    Seilpendel mit Deckenbefestiger und Seilklemme, 1,5 m, 1 Stück | 
                        
                             | 
                    
                         | 
                
                        
                                 
                            
                        0215943 -
                            UKNS 5.0M
                     | 
                    Seilpendel mit Deckenbefestiger und Seilklemme, 5 m, 1 Stück | 
                        
                             | 
                    
                         | 
                
                        
                                 
                            
                        0204003 -
                            ZRO RAHMENÖFFNER
                     | 
                    Werkzeug zur einfachen Öffnung des Leuchtenrahmens | 
                        
                             | 
                    
                         | 
                
                        
                                 
                            
                        0203626 -
                            ZGH GLASHEBER
                     | 
                    Gummisauger zum Anheben des Schutzglases | 
                        
                             | 
                    
                         | 
                
| Artikelnummer - Bezeichnung | Länge | Farbtemperatur | Charakteristik | ||
| 0206661LD - L-TUBE-B 145-840M0450-0950 LD | 1450 | 4000 K | matt | 
        
             | 
    
         | 
                                                
                                            Deckenleuchte der IHLS-Produktfamilie. Lichtlenkung durch Reflektor, Ausstrahlungscharakteristik symmetrisch, extrem breitstrahlend, Lichtaustritt direkt. Leuchtmittel L-TUBE eingebaut, Austausch durch Endkunde möglich. Die Leuchte generiert einen Bemessungslichtstrom von 7570 lm in Lichtfarbe 840, Lichtstrom einstellbar: stufenlos. Die hohe LED-Lebensdauer ermöglicht einen langen Einsatz bei gleichbleibender Beleuchtungsgüte. Hohe Lichtqualität durch eine Farborttoleranz von < 3 SDCM. Gehäuse aus Stahl, verkehrsweiß, ähnlich RAL 9016, Schutzart IP64. Deckenmontage ohne weiteres Zubehör über aufgesetzte Hutprofile oder abstandslos mit Zubehör IHLS-DB ... (separat zu bestellen). Pendelmontage an Kette oder Seil über aufgesetzte Hutprofile. Tragschienenmontage mit Befestigungsklammern oder Standardbefestigern. Mit elektronischem Betriebsgerät DALI-2. Austausch durch Fachkraft möglich. Nennspannung 220 - 240 V AC/DC 50 - 60 Hz.
IHLS-L 154, 180, 254, 280, 424: alle Lampen auf L1 verdrahtet. IHLS-L 354, 380: mittlere Lampe auf L1, äußere Lampen auf L2 verdrahtet. IHLS-L 454, 480: beide mittlere Lampen auf L1 verdrahtet, äußere Lampen auf L2 verdrahtet. Andere Schaltungen auf Anfrage möglich.
Hinweis „ballwurfsicher“: RIDI Leuchten mit dem Ball-Zeichen werden entsprechend den mechanischen und lichttechnischen Erfordernissen an die normgerechte Beleuchtung in Sporthallen hergestellt. Sie erfüllen die Anforderungen an die Ballwurfsicherheit, DIN 18 032, Teil 3.
Die Ballwurfsicherheit bescheinigt den Leuchten eine Robustheit, die auch für Industrieleuchten von großem Vorteil ist.
Hinweis "Lebensmittelrecht": Diese Leuchten entsprechen den Vorgaben des Lebensmittelrechtes im Sinne der Verordnung (EG) Nr. 852/2004 (HACCP) Anlage II Kapitel I Ziffer 2 a, b Kapitel II Ziffer 1c im Bereich von Leuchten. Sie sind geeignet für den Einsatz in der Lebensmittelindustrie.
Bestellinformationen
| Artikelnummer | 0660598 | 
| GTIN | 4029299490183 | 
| Bruttopreis (Deutschland, exkl. MwSt.) | 695,30 € | 
Allgemein
| Produktkategorie | Deckenleuchte | 
| Einsatzbereich | Industrie | Lebensmittel | Sport- und Mehrzweckhallen | 
| HACCP zertifiziert | Ja | 
Abmessungen
| Maß L | 1500 mm | 
| Maß B | 200 mm | 
| Maß H | 80 mm | 
| Maß A1 | 1350 mm | 
| Maß A3 | 150 mm | 
| Maß H2 | 95 mm | 
| Nettogewicht | 11,000 kg | 
                                                    
                                                Montage
| Montageart | Anbau | Pendel | 
| Montageort | Decke | 
| Anschlussart | Steckklemme | 
| Anzahl Pole | 5 | 
| Leiterquerschnitt | 0,5–2,5 mm² | 
Gehäuse
| Farbe | verkehrsweiß, ähnlich RAL 9016 | 
| Schutzart | IP64 | 
| Stoßfestigkeitsgrad | IK08 | 
| Glühdrahtprüfung | 650 °C | 
| Zulässige Umgebungstemperatur | -20–40 °C | 
| Werkstoff des Gehäuses | Stahl | 
| Werkstoff der Abdeckung | PMMA klar | 
Elektrische Ausführung
| Art der Steuerung | DALI-2 | 
| Nennspannung | 220–240 V, 0/50–60 Hz | 
| Bemessungsleistung | 69,0 W | 
| Schutzklasse | I | 
Lichttechnik
| Lichtlenker | Reflektor | 
| Reflektor | matt | 
| Lichtaustritt | direkt | 
| Lichtverteilung | symmetrisch | 
| Ausstrahlungscharakteristik | extrem breitstrahlend | 
| UGR-Klasse | ≤ 25 | 
| Bemessungslichtstrom | 7570 lm | 
| Leuchteneffizienz | 110 lm/W | 
                                                    
                                                Leuchtmittel
| Leuchtmittel | L-TUBE | 
| Inklusive Leuchtmittel | Ja | 
| Farbwiedergabeindex Ra | ≥ 80 | 
| Farbtemperatur | 4000 K | 
| Farborttoleranz (SDCM) | < 3 SDCM | 
| Bemessungslebensdauer L80B50 (tq = 25 °C) | 85.000 h | 
| Bemessungslebensdauer L80B10 (tq = 25 °C) | 70.000 h | 
Downloadcenter
Lichtverteilkurve
                Prüfzeichen:
Attribute:
                        
                    
                        
                            
                        
                    
                        
                            
                        
                    
                        
                            
                        
                    
                        
                            
                        
                    
                        
                            
                        
                    
                        
                            
                        
                    
                        
                            
                        
                    
                
                            
                        0207880 -
                            ZSP-SK-3M
                        Seilpendel Schlaufe-Klemme, Durchmesser 2 mm, Länge 3 m, 1 Stück, maximale Belastung 45 kg
                            
                        0200228 -
                            TRA 002 SHL M5X20
                        Leuchtenabhänger für SHL-Leuchtenserie, Schaukelhaken aus verzinktem Stahl M5x20, 1 Stück
                            
                        0200251 -
                            TRA 008 KETTE GALV. VERZ.
                        Knotenkette DIN 5686, Durchmesser 3,1 mm, verzinkt, maximale Belastung 20 kg, Länge 1 m
Bitte wählen Sie einen Anwendungsbereich aus oder passen Sie die Parameter individuell ihren Gegebenheiten an.
            Büro | Klassenzimmer
500 lx / 0,75 m
            Sozialräume
200 lx / 0,75 m
            Flur
100 lx / 0,00 m
            Sporthalle | Wettkampf
500 lx / 0,00 m
            Produktion | Montage
500 lx / 0,85 m
            Lagerhalle
200 lx / 0,00 m
