SHL-L 380/2520-840 PSB / 0650612
Produktbeschreibung
Deckenleuchte der SHL-Produktfamilie. Lichtlenkung durch Abdeckung mikroprismatisch, Ausstrahlungscharakteristik symmetrisch, breitstrahlend, Lichtaustritt direkt. Leuchtmittel L-TUBE eingebaut, Austausch durch Endkunde möglich. Die Leuchte generiert einen Bemessungslichtstrom von 20840 lm in Lichtfarbe 840, Lichtstrom einstellbar: Nein. Die hohe LED-Lebensdauer ermöglicht einen langen Einsatz bei gleichbleibender Beleuchtungsgüte. Hohe Lichtqualität durch eine Farborttoleranz von < 3 SDCM. Gehäuse aus Stahl, weiß, Schutzart IP40. Pendel- und Deckenmontage der Leuchten mit entsprechenden Befestigungssätzen. Zeitsparende Click-Montage der Leuchten an dem TRAS-Tragschienensystem ohne Öffnen der Leuchte. Ballwurfsichere Pendelmontage der 1- und 2-lampigen Leuchten an einer Tragschiene, 3- und 4-lampige Leuchten an zwei parallelen Tragschienen.Mit dem Zubehör SHL-DB, 0227922 sind die Leuchten ohne Tragschiene direkt an der Decke oder Befestigungsfläche montierbar. Die Leuchte muss hierzu geöffnet werden.Bandmontage über außen liegenden Verbinder SHL-LV, stirnseitige Ausbrechöffnung D 20 für Durchgangsverdrahtung. Mit elektronischem Betriebsgerät On/Off. Austausch durch Fachkraft möglich. Nennspannung 220 - 240 V AC/DC 50 - 60 Hz.
SHL. 180, 280: alle Lampen auf L1 verdrahtet. (180 mit 1 Gerät; 280 mit 2 Geräten) SHL. 380: mittlere Lampe auf L2, äußere Lampen auf L1 verdrahtet. (3 Geräte) SHL. 480: beide mittlere Lampen auf L2 verdrahtet, äußere Lampen auf L1 verdrahtet. (4 Geräte) DALI-Ausführungen: separate Klemme für Steuerleitung, siehe Maßbilder. Notlicht-Ausführungen: separate Klemme für Ersatznetz bzw. Ladephase. Andere Schaltungen auf Anfrage möglich.
Hinweis „ballwurfsicher“: RIDI Leuchten mit dem Ball-Zeichen werden entsprechend den mechanischen und lichttechnischen Erfordernissen an die normgerechte Beleuchtung in Sporthallen hergestellt. Sie erfüllen die Anforderungen an die Ballwurfsicherheit, DIN 18 032, Teil 3.
Die Ballwurfsicherheit bescheinigt den Leuchten eine Robustheit, die auch für Industrieleuchten von großem Vorteil ist.
Bestellinformationen
| Artikelnummer | 0650612 |
| GTIN | 4029299489712 |
| Bruttopreis (Deutschland, exkl. MwSt.) | 1172,40 € |
Allgemein
| Produktkategorie | Deckenleuchte |
| Einsatzbereich | Industrie | Sport- und Mehrzweckhallen |
Abmessungen
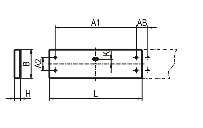
| Maß L | 1500 mm |
| Maß B | 370 mm |
| Maß H | 80 mm |
| Maß A1 | 1350 mm |
| Maß A2 | 224 mm |
| Maß AB | 150 mm |
| Maß K | 56 mm |
| Nettogewicht | 16,040 kg |
Montage
| Montageart | Anbau | Pendel |
| Montageort | Decke |
| Anschlussart | Steckklemme |
| Anzahl Pole | 3 |
| Leiterquerschnitt | 0,5–2,5 mm² |
Gehäuse
| Farbe | weiß |
| Schutzart | IP40 |
| Stoßfestigkeitsgrad | IK08 |
| Glühdrahtprüfung | 650 °C |
| Zulässige Umgebungstemperatur | -20–29 °C |
| Werkstoff des Gehäuses | Stahl |
| Werkstoff der Abdeckung | PMMA strukturiert |
Elektrische Ausführung
| Art der Steuerung | On/Off |
| Nennspannung | 220–240 V, 0/50–60 Hz |
| Bemessungsleistung | 183,0 W |
| Faktor Verlustleistung Betriebsgerät | 1.051724137931 |
| Schutzklasse | I |
Lichttechnik
| Lichtlenker | Abdeckung mikroprismatisch |
| Lichtaustritt | direkt |
| Lichtverteilung | symmetrisch |
| Ausstrahlungscharakteristik | breitstrahlend |
| UGR-Klasse | ≤ 25 |
| Bemessungslichtstrom | 20840 lm |
| Leuchteneffizienz | 114 lm/W |
Leuchtmittel
| Leuchtmittel | L-TUBE |
| Inklusive Leuchtmittel | Ja |
| Farbwiedergabeindex Ra | ≥ 80 |
| Farbwiedergabeindex R9 | 0 |
| Farbtemperatur | 4000 K |
| Farborttoleranz (SDCM) | < 3 SDCM |
| Bemessungslebensdauer L80B50 (tq = 25 °C) | 65.000 h |
| Bemessungslebensdauer L80B10 (tq = 25 °C) | 50.000 h |
Downloadcenter
Prüfzeichen:
Bitte wählen Sie einen Anwendungsbereich aus oder passen Sie die Parameter individuell ihren Gegebenheiten an.
Büro | Klassenzimmer
500 lx / 0,75 m
Sozialräume
200 lx / 0,75 m
Flur
100 lx / 0,00 m
Sporthalle | Wettkampf
500 lx / 0,00 m
Produktion | Montage
500 lx / 0,85 m
Lagerhalle
200 lx / 0,00 mBüro | Klassenzimmer
Montage und Befestigung
| Artikelnummer - Bezeichnung | Produktbeschreibung | Download | Merkzettel |
0207852 -
TRAS 4500
|
Tragschiene L = 4,5 m, Stahlblech verzinkt, Gewicht 5,9 kg |
|
|
0207860 -
TRAS-V
|
Tragschienenverbinder für TRAS, 1 Stück |
|
|
0227922 -
SHL-DB
|
Deckenbefestigung für SHL, Deckenabstand 20 mm |
|
|
0207851 -
TRAS 3000
|
Tragschiene L = 3 m, Stahlblech verzinkt, Gewicht 3,9 kg |
|
|
0200228 -
TRA 002 SHL M5X20
|
Leuchtenabhänger für SHL-Leuchtenserie, Schaukelhaken aus verzinktem Stahl M5x20, 1 Stück |
|
|
0207868 -
TRAS-HD
|
Aufhänger mit Ø 6,0 mm für Deckenmontage, 1 Stück |
|
|
0200251 -
TRA 008 KETTE GALV. VERZ.
|
Knotenkette DIN 5686, Durchmesser 3,1 mm, verzinkt, maximale Belastung 20 kg, Länge 1 m |
|
|
0200999 -
TRA 216/224-SHL 3../4..
|
Traverse für SHL 3..+4.., SHL2-AM.., Befestigungs-Abstand 216 mm, 224 mm |
|
|
0205888 -
VLKH
|
Karabinerhaken, maximale Belastung 20 kg, 1 Stück |
|
|
0205887 -
VLBP
|
Platte mit Öse für Deckenbefestigung, maximale Belastung 20 kg, 1 Stück |
|
|
0208347 -
VLSPSO-KH
|
Spannschloss mit Ösen + Karabiner, Verstellung 50 mm, maximal 20 kg, 1 Stück |
|
|
0207867 -
TRAS-HA
|
Aufhänger für Kette, Einstellmutter, 1 Stück, maximal 20 kg |
|
|
0207869 -
TRAS-BSHL 1../2..
|
Leuchtenbefestiger für SHL-Leuchten 1/2-lampig mit Klemmenabdeckung |
|
|
0207942 -
TRAS-BSHL 3../4..
|
Leuchtenbefestiger für SHL-Leuchten 3/4-lampig mit Klemmenabdeckung |
|
|
0207870 -
TRAS-B
|
Leuchtenbefestiger für Anbauleuchten an der TRAS-Tragschiene |
|
|
0207944 -
TRAS-HAS
|
Aufhänger für Kettenschrägabhängung, TRAS-Tragschiene |
|
|
0207880 -
ZSP-SK-3M
|
Seilpendel Schlaufe-Klemme, Durchmesser 2 mm, Länge 3 m, 1 Stück, maximale Belastung 45 kg |
|
|
Montage und Befestigung (ballwurfsicher)
| Artikelnummer - Bezeichnung | Produktbeschreibung | Download | Merkzettel |
0207853 -
TRAS-A 1500
|
Abdeckung TRAS, L = 1,5 m, verzinkt, ballwurfsicher mit TRAS-AB |
|
|
0207083 -
TRAS-AB
|
Befestigungsblech zur ballwurfsicheren Montage von TRAS-A |
|
|
Schutz und Sicherheit
| Artikelnummer - Bezeichnung | Produktbeschreibung | Download | Merkzettel |
0207980 -
ZKA-SHL
|
Klemmenabdeckung für SHL, 1 Stück |
|
|
0209083 -
ZKA-SHL-DB
|
Klemmenabdeckung für SHL-DB, 1 Stück |
|
|
Verbindung und Systemintegration
| Artikelnummer - Bezeichnung | Produktbeschreibung | Download | Merkzettel |
0207945 -
SHL-LV 1-2..
|
Leuchtenverbinder für SHL-L 180/280, SHL2-AE.., 1 Stück |
|
|
0207946 -
SHL-LV 3.. LB=370
|
Leuchtenverbinder für SHL-L 380, SHL2-AM..., 1 Stück |
|
|
0208389 -
SHL-LV 4.. LB=466
|
Leuchtenverbinder für SHL-L 480, 1 Stück |
|
|
Werkzeug
| Artikelnummer - Bezeichnung | Produktbeschreibung | Download | Merkzettel |
0203626 -
ZGH GLASHEBER
|
Gummisauger zum Anheben des Schutzglases |
|
|
0204003 -
ZRO RAHMENÖFFNER
|
Werkzeug zur einfachen Öffnung des Leuchtenrahmens |
|
|
Deckenleuchte der SHL-Produktfamilie. Lichtlenkung durch Abdeckung mikroprismatisch, Ausstrahlungscharakteristik symmetrisch, breitstrahlend, Lichtaustritt direkt. Leuchtmittel L-TUBE eingebaut, Austausch durch Endkunde möglich. Die Leuchte generiert einen Bemessungslichtstrom von 20840 lm in Lichtfarbe 840, Lichtstrom einstellbar: Nein. Die hohe LED-Lebensdauer ermöglicht einen langen Einsatz bei gleichbleibender Beleuchtungsgüte. Hohe Lichtqualität durch eine Farborttoleranz von < 3 SDCM. Gehäuse aus Stahl, weiß, Schutzart IP40. Pendel- und Deckenmontage der Leuchten mit entsprechenden Befestigungssätzen. Zeitsparende Click-Montage der Leuchten an dem TRAS-Tragschienensystem ohne Öffnen der Leuchte. Ballwurfsichere Pendelmontage der 1- und 2-lampigen Leuchten an einer Tragschiene, 3- und 4-lampige Leuchten an zwei parallelen Tragschienen.Mit dem Zubehör SHL-DB, 0227922 sind die Leuchten ohne Tragschiene direkt an der Decke oder Befestigungsfläche montierbar. Die Leuchte muss hierzu geöffnet werden.Bandmontage über außen liegenden Verbinder SHL-LV, stirnseitige Ausbrechöffnung D 20 für Durchgangsverdrahtung. Mit elektronischem Betriebsgerät On/Off. Austausch durch Fachkraft möglich. Nennspannung 220 - 240 V AC/DC 50 - 60 Hz.
SHL. 180, 280: alle Lampen auf L1 verdrahtet. (180 mit 1 Gerät; 280 mit 2 Geräten) SHL. 380: mittlere Lampe auf L2, äußere Lampen auf L1 verdrahtet. (3 Geräte) SHL. 480: beide mittlere Lampen auf L2 verdrahtet, äußere Lampen auf L1 verdrahtet. (4 Geräte) DALI-Ausführungen: separate Klemme für Steuerleitung, siehe Maßbilder. Notlicht-Ausführungen: separate Klemme für Ersatznetz bzw. Ladephase. Andere Schaltungen auf Anfrage möglich.
Hinweis „ballwurfsicher“: RIDI Leuchten mit dem Ball-Zeichen werden entsprechend den mechanischen und lichttechnischen Erfordernissen an die normgerechte Beleuchtung in Sporthallen hergestellt. Sie erfüllen die Anforderungen an die Ballwurfsicherheit, DIN 18 032, Teil 3.
Die Ballwurfsicherheit bescheinigt den Leuchten eine Robustheit, die auch für Industrieleuchten von großem Vorteil ist.
Bestellinformationen
| Artikelnummer | 0650612 |
| GTIN | 4029299489712 |
| Bruttopreis (Deutschland, exkl. MwSt.) | 1172,40 € |
Allgemein
| Produktkategorie | Deckenleuchte |
| Einsatzbereich | Industrie | Sport- und Mehrzweckhallen |
Abmessungen
| Maß L | 1500 mm |
| Maß B | 370 mm |
| Maß H | 80 mm |
| Maß A1 | 1350 mm |
| Maß A2 | 224 mm |
| Maß AB | 150 mm |
| Maß K | 56 mm |
| Nettogewicht | 16,040 kg |
Montage
| Montageart | Anbau | Pendel |
| Montageort | Decke |
| Anschlussart | Steckklemme |
| Anzahl Pole | 3 |
| Leiterquerschnitt | 0,5–2,5 mm² |
Gehäuse
| Farbe | weiß |
| Schutzart | IP40 |
| Stoßfestigkeitsgrad | IK08 |
| Glühdrahtprüfung | 650 °C |
| Zulässige Umgebungstemperatur | -20–29 °C |
| Werkstoff des Gehäuses | Stahl |
| Werkstoff der Abdeckung | PMMA strukturiert |
Elektrische Ausführung
| Art der Steuerung | On/Off |
| Nennspannung | 220–240 V, 0/50–60 Hz |
| Bemessungsleistung | 183,0 W |
| Faktor Verlustleistung Betriebsgerät | 1.051724137931 |
| Schutzklasse | I |
Lichttechnik
| Lichtlenker | Abdeckung mikroprismatisch |
| Lichtaustritt | direkt |
| Lichtverteilung | symmetrisch |
| Ausstrahlungscharakteristik | breitstrahlend |
| UGR-Klasse | ≤ 25 |
| Bemessungslichtstrom | 20840 lm |
| Leuchteneffizienz | 114 lm/W |
Leuchtmittel
| Leuchtmittel | L-TUBE |
| Inklusive Leuchtmittel | Ja |
| Farbwiedergabeindex Ra | ≥ 80 |
| Farbtemperatur | 4000 K |
| Farborttoleranz (SDCM) | < 3 SDCM |
| Bemessungslebensdauer L80B50 (tq = 25 °C) | 65.000 h |
| Bemessungslebensdauer L80B10 (tq = 25 °C) | 50.000 h |
Downloadcenter
Lichtverteilkurve
Prüfzeichen:
Attribute:
Montage und Befestigung
0200228 -
TRA 002 SHL M5X20
Leuchtenabhänger für SHL-Leuchtenserie, Schaukelhaken aus verzinktem Stahl M5x20, 1 Stück
0200251 -
TRA 008 KETTE GALV. VERZ.
Knotenkette DIN 5686, Durchmesser 3,1 mm, verzinkt, maximale Belastung 20 kg, Länge 1 m
0200999 -
TRA 216/224-SHL 3../4..
Traverse für SHL 3..+4.., SHL2-AM.., Befestigungs-Abstand 216 mm, 224 mm
0207880 -
ZSP-SK-3M
Seilpendel Schlaufe-Klemme, Durchmesser 2 mm, Länge 3 m, 1 Stück, maximale Belastung 45 kg
Montage und Befestigung (ballwurfsicher)
Schutz und Sicherheit
Verbindung und Systemintegration
Werkzeug
Bitte wählen Sie einen Anwendungsbereich aus oder passen Sie die Parameter individuell ihren Gegebenheiten an.
Büro | Klassenzimmer
500 lx / 0,75 m
Sozialräume
200 lx / 0,75 m
Flur
100 lx / 0,00 m
Sporthalle | Wettkampf
500 lx / 0,00 m
Produktion | Montage
500 lx / 0,85 m
Lagerhalle
200 lx / 0,00 m
