SHL-L 380/1860-840 SM-DA / 0660550


Produktbeschreibung
Deckenleuchte der SHL-Produktfamilie. Lichtlenkung durch Raster, Ausstrahlungscharakteristik symmetrisch, extrem breitstrahlend, Lichtaustritt direkt. Leuchtmittel L-TUBE eingebaut, Austausch durch Endkunde möglich. Die Leuchte generiert einen Bemessungslichtstrom von 17460 lm in Lichtfarbe 840, Lichtstrom einstellbar: stufenlos. Die hohe LED-Lebensdauer ermöglicht einen langen Einsatz bei gleichbleibender Beleuchtungsgüte. Hohe Lichtqualität durch eine Farborttoleranz von < 3 SDCM. Gehäuse aus Stahl, weiß, Schutzart IP40. Pendel- und Deckenmontage der Leuchten mit entsprechenden Befestigungssätzen. Zeitsparende Click-Montage der Leuchten an dem TRAS-Tragschienensystem ohne Öffnen der Leuchte. Ballwurfsichere Pendelmontage der 1- und 2-lampigen Leuchten an einer Tragschiene, 3- und 4-lampige Leuchten an zwei parallelen Tragschienen.Mit dem Zubehör SHL-DB, 0227922 sind die Leuchten ohne Tragschiene direkt an der Decke oder Befestigungsfläche montierbar. Die Leuchte muss hierzu geöffnet werden.Bandmontage über außen liegenden Verbinder SHL-LV, stirnseitige Ausbrechöffnung D 20 für Durchgangsverdrahtung. Mit elektronischem Betriebsgerät DALI-2. Austausch durch Fachkraft möglich. Nennspannung 220 - 240 V AC/DC 50 - 60 Hz.
SHL. 180, 280: alle Lampen auf L1 verdrahtet. (180 mit 1 Gerät; 280 mit 2 Geräten) SHL. 380: mittlere Lampe auf L2, äußere Lampen auf L1 verdrahtet. (3 Geräte) SHL. 480: beide mittlere Lampen auf L2 verdrahtet, äußere Lampen auf L1 verdrahtet. (4 Geräte) DALI-Ausführungen: separate Klemme für Steuerleitung, siehe Maßbilder. Notlicht-Ausführungen: separate Klemme für Ersatznetz bzw. Ladephase. Andere Schaltungen auf Anfrage möglich.
Hinweis „ballwurfsicher“: RIDI Leuchten mit dem Ball-Zeichen werden entsprechend den mechanischen und lichttechnischen Erfordernissen an die normgerechte Beleuchtung in Sporthallen hergestellt. Sie erfüllen die Anforderungen an die Ballwurfsicherheit, DIN 18 032, Teil 3.
Die Ballwurfsicherheit bescheinigt den Leuchten eine Robustheit, die auch für Industrieleuchten von großem Vorteil ist.
Bestellinformationen
Artikelnummer | 0660550 |
GTIN | 4029299460711 |
Bruttopreis (Deutschland, exkl. MwSt.) | 1342,30 € |
Allgemein
Produktkategorie | Deckenleuchte |
Einsatzbereich | Industrie | Sport- und Mehrzweckhallen |
Abmessungen
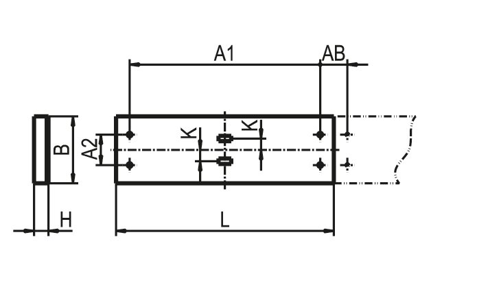
Maß L | 1500 mm |
Maß B | 370 mm |
Maß H | 80 mm |
Maß A1 | 1350 mm |
Maß A2 | 224 mm |
Maß AB | 150 mm |
Maß K | 56 mm |
Nettogewicht | 17,530 kg |

Montage
Montageart | Anbau | Pendel |
Montageort | Decke |
Anschlussart | Steckklemme |
Anzahl Pole | 5 |
Leiterquerschnitt | 0,5–2,5 mm² |
Gehäuse
Farbe | weiß |
Schutzart | IP40 |
Stoßfestigkeitsgrad | IK08 |
Glühdrahtprüfung | 650 °C |
Zulässige Umgebungstemperatur | -20–38 °C |
Werkstoff des Gehäuses | Stahl |
Werkstoff der Abdeckung | PMMA klar |
Elektrische Ausführung
Art der Steuerung | DALI-2 |
Nennspannung | 220–240 V, 0/50–60 Hz |
Bemessungsleistung | 144,0 W |
Schutzklasse | I |
Lichttechnik
Lichtlenker | Raster |
Lichtaustritt | direkt |
Lichtverteilung | symmetrisch |
Ausstrahlungscharakteristik | extrem breitstrahlend |
UGR-Klasse | ≤ 22 |
Bemessungslichtstrom | 17460 lm |
Leuchteneffizienz | 121 lm/W |

Leuchtmittel
Leuchtmittel | L-TUBE |
Inklusive Leuchtmittel | Ja |
Farbwiedergabeindex Ra | ≥ 80 |
Farbtemperatur | 4000 K |
Farborttoleranz (SDCM) | < 3 SDCM |
Bemessungslebensdauer L80B50 (tq = 25 °C) | 80.000 h |
Bemessungslebensdauer L80B10 (tq = 25 °C) | 65.000 h |
Downloadcenter







Prüfzeichen:
Bitte wählen Sie einen Anwendungsbereich aus oder passen Sie die Parameter individuell ihren Gegebenheiten an.

Büro | Klassenzimmer
500 lx / 0,75 m
Sozialräume
200 lx / 0,75 m
Flur
100 lx / 0,00 m
Sporthalle | Wettkampf
500 lx / 0,00 m
Produktion | Montage
500 lx / 0,85 m
Lagerhalle
200 lx / 0,00 mBüro | Klassenzimmer


Deckenleuchte der SHL-Produktfamilie. Lichtlenkung durch Raster, Ausstrahlungscharakteristik symmetrisch, extrem breitstrahlend, Lichtaustritt direkt. Leuchtmittel L-TUBE eingebaut, Austausch durch Endkunde möglich. Die Leuchte generiert einen Bemessungslichtstrom von 17460 lm in Lichtfarbe 840, Lichtstrom einstellbar: stufenlos. Die hohe LED-Lebensdauer ermöglicht einen langen Einsatz bei gleichbleibender Beleuchtungsgüte. Hohe Lichtqualität durch eine Farborttoleranz von < 3 SDCM. Gehäuse aus Stahl, weiß, Schutzart IP40. Pendel- und Deckenmontage der Leuchten mit entsprechenden Befestigungssätzen. Zeitsparende Click-Montage der Leuchten an dem TRAS-Tragschienensystem ohne Öffnen der Leuchte. Ballwurfsichere Pendelmontage der 1- und 2-lampigen Leuchten an einer Tragschiene, 3- und 4-lampige Leuchten an zwei parallelen Tragschienen.Mit dem Zubehör SHL-DB, 0227922 sind die Leuchten ohne Tragschiene direkt an der Decke oder Befestigungsfläche montierbar. Die Leuchte muss hierzu geöffnet werden.Bandmontage über außen liegenden Verbinder SHL-LV, stirnseitige Ausbrechöffnung D 20 für Durchgangsverdrahtung. Mit elektronischem Betriebsgerät DALI-2. Austausch durch Fachkraft möglich. Nennspannung 220 - 240 V AC/DC 50 - 60 Hz.
SHL. 180, 280: alle Lampen auf L1 verdrahtet. (180 mit 1 Gerät; 280 mit 2 Geräten) SHL. 380: mittlere Lampe auf L2, äußere Lampen auf L1 verdrahtet. (3 Geräte) SHL. 480: beide mittlere Lampen auf L2 verdrahtet, äußere Lampen auf L1 verdrahtet. (4 Geräte) DALI-Ausführungen: separate Klemme für Steuerleitung, siehe Maßbilder. Notlicht-Ausführungen: separate Klemme für Ersatznetz bzw. Ladephase. Andere Schaltungen auf Anfrage möglich.
Hinweis „ballwurfsicher“: RIDI Leuchten mit dem Ball-Zeichen werden entsprechend den mechanischen und lichttechnischen Erfordernissen an die normgerechte Beleuchtung in Sporthallen hergestellt. Sie erfüllen die Anforderungen an die Ballwurfsicherheit, DIN 18 032, Teil 3.
Die Ballwurfsicherheit bescheinigt den Leuchten eine Robustheit, die auch für Industrieleuchten von großem Vorteil ist.
Bestellinformationen
Artikelnummer | 0660550 |
GTIN | 4029299460711 |
Bruttopreis (Deutschland, exkl. MwSt.) | 1342,30 € |
Allgemein
Produktkategorie | Deckenleuchte |
Einsatzbereich | Industrie | Sport- und Mehrzweckhallen |
Abmessungen
Maß L | 1500 mm |
Maß B | 370 mm |
Maß H | 80 mm |
Maß A1 | 1350 mm |
Maß A2 | 224 mm |
Maß AB | 150 mm |
Maß K | 56 mm |
Nettogewicht | 17,530 kg |

Montage
Montageart | Anbau | Pendel |
Montageort | Decke |
Anschlussart | Steckklemme |
Anzahl Pole | 5 |
Leiterquerschnitt | 0,5–2,5 mm² |
Gehäuse
Farbe | weiß |
Schutzart | IP40 |
Stoßfestigkeitsgrad | IK08 |
Glühdrahtprüfung | 650 °C |
Zulässige Umgebungstemperatur | -20–38 °C |
Werkstoff des Gehäuses | Stahl |
Werkstoff der Abdeckung | PMMA klar |
Elektrische Ausführung
Art der Steuerung | DALI-2 |
Nennspannung | 220–240 V, 0/50–60 Hz |
Bemessungsleistung | 144,0 W |
Schutzklasse | I |
Lichttechnik
Lichtlenker | Raster |
Lichtaustritt | direkt |
Lichtverteilung | symmetrisch |
Ausstrahlungscharakteristik | extrem breitstrahlend |
UGR-Klasse | ≤ 22 |
Bemessungslichtstrom | 17460 lm |
Leuchteneffizienz | 121 lm/W |

Leuchtmittel
Leuchtmittel | L-TUBE |
Inklusive Leuchtmittel | Ja |
Farbwiedergabeindex Ra | ≥ 80 |
Farbtemperatur | 4000 K |
Farborttoleranz (SDCM) | < 3 SDCM |
Bemessungslebensdauer L80B50 (tq = 25 °C) | 80.000 h |
Bemessungslebensdauer L80B10 (tq = 25 °C) | 65.000 h |
Downloadcenter
Lichtverteilkurve

Prüfzeichen:
Attribute:






Bitte wählen Sie einen Anwendungsbereich aus oder passen Sie die Parameter individuell ihren Gegebenheiten an.

Büro | Klassenzimmer
500 lx / 0,75 m
Sozialräume
200 lx / 0,75 m
Flur
100 lx / 0,00 m
Sporthalle | Wettkampf
500 lx / 0,00 m
Produktion | Montage
500 lx / 0,85 m
Lagerhalle
200 lx / 0,00 m